FPGA + STM32异构开发板:基于 STM32 模拟服务器 BMC 的 FPGA 管理与监控
#本文介绍一款基于 Lattice ECP3 FPGA(LFE3-70EA-8FN672C) 与 STM32F407V 系列 MCU 的异构协同开发板,并对板上主要器件进行结构性解析。平台适用于数字逻辑开发、图像处理、通信协议验证、嵌入式协同系统等应用场景。本文初意是探讨如何通过 STM32 模拟服务器BMC(Board Management Controller)对 FPGA 进行高效的管理和监控。。
一、开发板总体架构
本开发板采用 FPGA + STM32 的异构架构,STM32 作为系统的主控,负责与外设通信、管理 FPGA 状态,以及进行各种系统控制。FPGA 负责高速数据处理与特定业务逻辑(如图像处理、信号处理等)。
硬件核心部件:
-
FPGA 主处理器:LFE3-70EA-8FN672C
-
MCU 控制单元:STM32F407V
-
双 SPI Flash 存储系统:M25X64VFIG / W25Q64
-
DDR3 存储扩展:MT41K64M16TW
-
HDMI 显示接口
-
数码管显示:SLS0281FB2A1GD
-
电源管理模块:TLV62130ARGTR
-
多通道防护电路 SRV05-4
-
JTAG / UART 调试接口(FT232HQ、CP2102)
-
AT24C64 配置 EEPROM
二、硬件架构设计
2.1. FPGA
Lattice 的 ECP3 系列 FPGA 为系统提供强大的并行处理能力,适合进行高速信号处理、通信协议实现、图像处理等任务。该 FPGA 支持 LVDS 高速 I/O 和丰富的硬件 DSP 功能,使其成为处理复杂任务的理想选择。部分原理图如图2-1(DIMM)和图2-2(IO)所示。
2.2. MCU
STM32F407 是一款基于 Cortex-M4 内核的微控制器,具有 168MHz 主频和 FPU(浮点单元),适合处理控制类任务、实时调度以及系统状态监控。STM32F407 在本开发板中作为 BMC(Board Management Controller) 角色,负责对 FPGA 进行管理、控制和监控。原理图如图2-3所示。
2.3. 存储系统
-
双SPI Flash(M25X64VFIG / W25Q64):用于存储 FPGA 配置文件,并支持 FPGA 的程序升级。
-
DDR3(MT41K64M16TW):用于高速缓存,提供与 FPGA 之间的数据存储和交换能力。原理图如图2-4(POWER)和2-5(IO)所示。
2.4. 视频接口
HDMI 视频接口用于显示处理后的视频信号。FPGA 负责图像数据的处理与生成,STM32 控制视频输出的时序。其原理图如图2-6所示。
2.5. 电源管理
电源管理采用 TLV62130ARGTR 降压 DC-DC 转换器,提供稳定的 1.2V / 1.5V / 2.5V / 3.3V 电源,保证 FPGA 和 STM32 的稳定运行。各电源通过 STM32 的管理进行监控与控制,确保上电顺序正确,防止电压波动对系统造成影响。其原理图如图2-7所示。
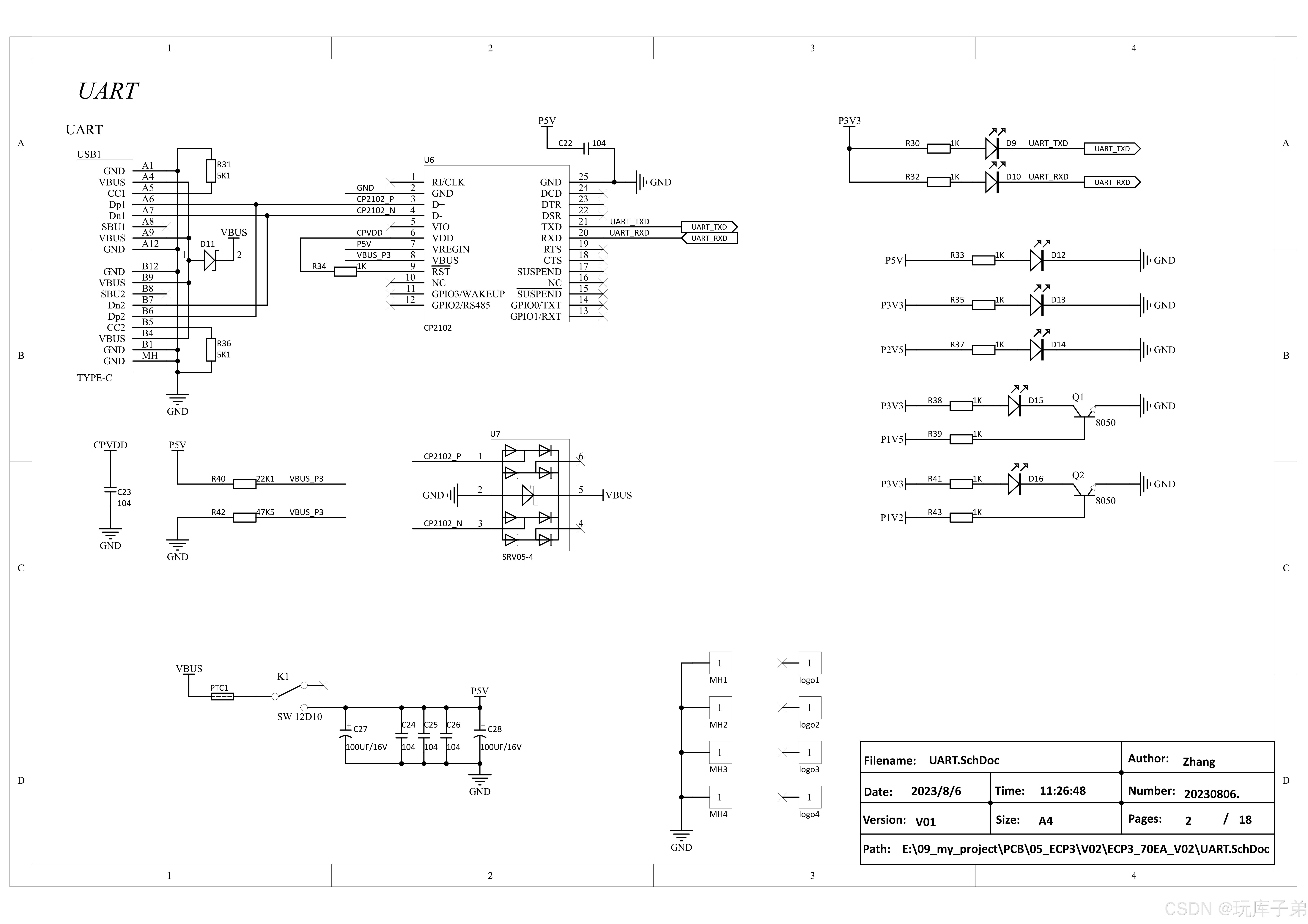
2.6. 串口设计
开发板提供 UART_CP2102串口接口,其原理图如图2-8所示,用于调试、数据通信以及与 PC 端的交互:
-
MCU 与 PC 通信:STM32 通过 UART 向 PC 发送日志、状态信息,或接收指令进行 FPGA 配置/管理。
-
高速稳定:UART 线路配合电平转换芯片(CP2102)提供 3.3V/5V 兼容,确保信号完整性。
-
调试方便:通过串口可以实时观察 FPGA 和 STM32 的工作状态,便于开发和测试。
UART 接口也是 STM32 作为 BMC 与外部管理系统通信的主要通道,支持远程状态监控和固件升级。
2.7. JTAG 设计
开发板配备 JTAG_FT232HQ 接口,其原理图如图2-9所示,用于 FPGA 与 MCU 的调试和编程:
-
FPGA 下载与调试:JTAG 接口用于加载 FPGA bitstream,实现在线调试与状态监测。
-
Type-C 接口优势:兼容性好,易于与 PC 连接,同时支持 5V/3.3V 电平转换,保护硬件安全。
JTAG 接口是 FPGA 开发中不可或缺的工具,也是整个平台可靠性和可维护性的保障。
2.8. 其它原理图
三、STM32 模拟 BMC(服务器板管理控制器)
3.1. 什么是 BMC?为什么需要 STM32 管理 FPGA?
在服务器系统中,BMC 是用于管理整个硬件平台的控制器。BMC 能够独立于主 CPU 运行,提供 电源管理、温度监控、固件升级等管理功能。在我们的开发板中,STM32 作为一个嵌入式 BMC,负责管理 FPGA 的上电、配置、健康监控等任务。
通过这种设计,STM32 作为一个独立的管理单元,使得 FPGA 系统具备类似服务器的管理与监控功能,具有以下优势:
-
系统可维护性:通过 STM32 可以实时监控 FPGA 的状态和健康,及时发现异常并采取措施(如重启 FPGA、升级固件等)。
-
远程管理:STM32 具备多种通信接口,支持远程升级、日志记录和状态查询。
-
自动化运维:STM32 可以自动化管理 FPGA 启动、复位、上电顺序等,减少人工干预。
3.2. STM32 对 FPGA 的管理与控制功能
STM32 通过 SPI、I2C、UART 和 JTAG 等通信接口,能够对 FPGA 进行全面管理。
电源管理与上电顺序(本项目V1版本未增加次功能,直接使用上级VR的PGD控制下一级VR的EN)
-
电源管理:STM32 通过控制 TLV62130ARGTR 降压转换器的 EN 引脚,精确控制 FPGA 的电源供应,确保各电源按照合适的时序稳定上电。
-
上电顺序:STM32 管理 FPGA 电源(1.2V、2.5V) 和 IO 电源(3.3V) 的上电顺序,避免因电压顺序不当导致的 FPGA 启动失败。
FPGA 配置与固件管理
-
SPI Flash 管理:STM32控制W25Q64 Flash,负责向FPGA下载bitstream 数据,并支持FPGA固件的升级。
-
IIC管理:STM32可通过IIC读取读取FPGA内部寄存器,实现在线更新FPGA的BIT配置文件。
-
自动配置:上电时,STM32会自动从SPI Flash中加载FPGA 的 bitstream,完成FPGA的配置。
-
FPGA 错误监控:STM32会定期读取 FPGA 的状态寄存器,监控FPGA的健康状态。如果发现异常,STM32可以通过重启FPGA或重新加载bit文件来恢复正常。
温度与电压监控
-
STM32 会定期检查FPGA和系统的温度和电压,并通过UART输出实时监控数据。
-
AT24C64 EEPROM用于存储监控日志和参数,便于后续分析和故障排查。
四、开发板应用场景与扩展
4.1. 应用场景
本开发板适用于以下应用场景:
-
图像/视频处理:FPGA 进行实时图像处理(如边缘检测、滤波等),STM32 负责系统协调与显示控制。
-
通信协议加速:利用 FPGA 进行高速协议处理(如信号调制解调、数据加密等),STM32 负责数据调度与控制。
-
嵌入式系统控制:STM32 提供系统管理和 FPGA 控制,支持实时数据采集和处理。
-
科研实验平台:适合作为实验和竞赛平台,支持 FPGA 与 MCU 协同开发。
4.2. 系统扩展
-
网络接口:STM32 可以与外部设备通过 Ethernet、Wi-Fi 等网络协议进行通信,支持远程管理和固件升级。
-
数据存储:可以通过外接存储设备(如 SD 卡)扩展存储容量,用于保存大量数据或日志。
五、PCB设计
本开发板采用 六层 PCB结构,旨在保证 FPGA、DDR3、HDMI 等高速信号的完整性,同时兼顾 STM32 外设、UART/JTAG 接口以及系统电源布局。六层 PCB 在成本和性能之间取得了良好平衡,是中高复杂度数字系统的常用方案。
5.1. PCB 层叠结构
| 层 | 描述 |
|---|---|
| Top | 高速信号线,FPGA 主干线和 HDMI 信号等 |
| L2 | GND(整层地) |
| L3 | 高速信号 / DDR3 地址、数据总线等 |
| L4 | 电源层(VCCINT / VCCO / 3.3V / DDR3 1.5V) |
| L5 | GND(整层地) |
| Bottom | 低速信号线,STM32 外设、UART、JTAG |
5.2. 功能区布局与布线
(1)FPGA 区
-
核心 FPGA 放在板中心,周边紧邻 DDR3、HDMI 芯片
-
去耦电容0603均匀分布,保证电源稳定
-
高速信号(LVDS、TMDS、DDR3 数据线)优先布置在 L1 / L3,保证信号参考完整
(2)STM32 区
-
STM32 与 UART、I2C、SPI、EEPROM 紧邻布置
-
避免高速 FPGA 信号干扰 STM32 的模拟引脚(ADC / DAC)
-
UART 和 JTAG 接口布置在 PCB 边缘,便于外部连接和调试
(3)DDR3 区
-
采用 Fly-by 拓扑,Address/Command/CK 信号长度匹配
-
DQ/DQS 信号组间长度偏差控制在 ±5mil
-
DDR3 电源线通过 L4 电源层供电,参考地层为 L2 / L5
-
必要时使用调谐过孔(Tuning Via)进行信号微调
(4)HDMI 区
-
TMDS 差分线保持 100Ω 阻抗,长度匹配 ±5mil
-
避免急转 90°,采用 45° 或圆弧走线
-
增加 ESD 防护(SRV05-4)靠近接口
-
地层屏蔽设计,提高 EMI 性能
六、焊武帝
6.1. 空板(别致)
6.2. 焊接(灶台)
6.3. 成品(惊奇)
七、总结
通过将 STM32 作为 BMC集成到开发板中,我们不仅提升了 FPGA 系统的可管理性、可靠性和安全性,还能够像管理服务器一样,对 FPGA 进行高效的监控、升级和故障恢复。STM32 提供的电源管理、健康监控、固件升级、日志记录等功能,使得该开发板具有类似服务器硬件平台的可维护性,适用于多种嵌入式系统和工程应用。
本平台适合用于学术研究、产品原型开发、竞赛平台搭建 等场合,是一个理想的 FPGA + STM32 异构开发方案。





